Hala na prodaju, Kać, 1.860.000€, 891m²






































1.860.000 €
2.088 € / m2
- Centralno grejanje
- Novo
- Oglas oglašava agencija pod reg. brojem 1573
Opis oglasa
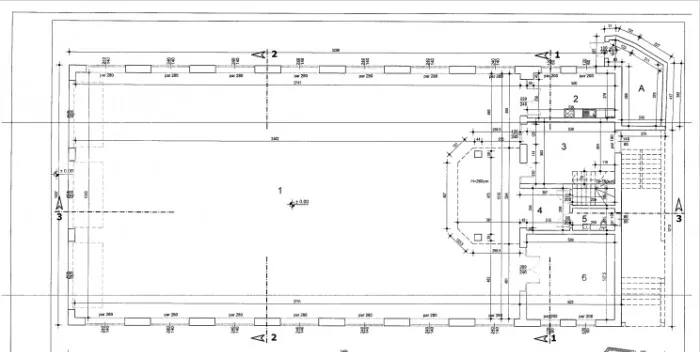
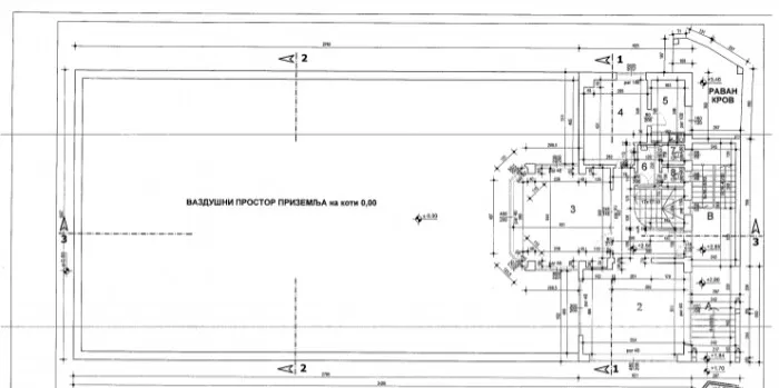
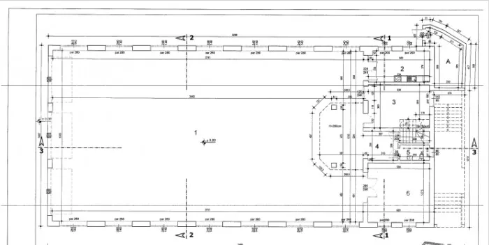
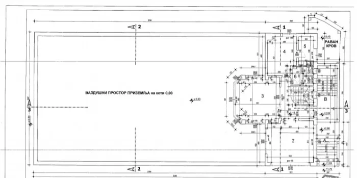
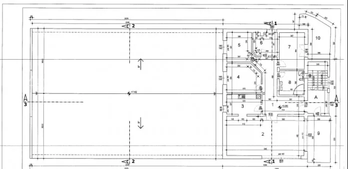
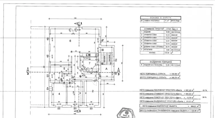
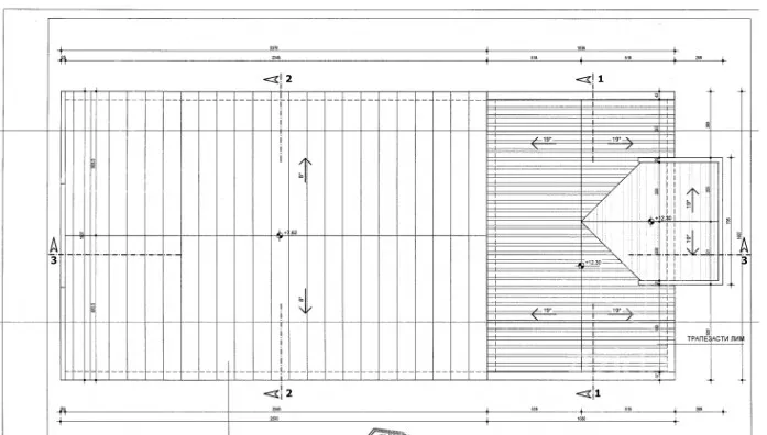
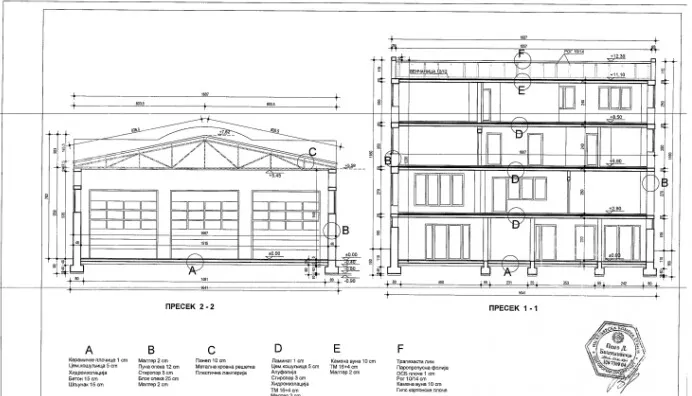
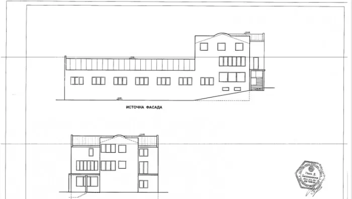
KAĆ, 891m2, HALA Na prodaju je moderna višenamenska hala smeštena u komercijalnoj zoni nadomak Novog Sada, na izuzetno atraktivnoj lokaciji uz Stari Kaćki put, sa direktnim izlazom na auto-put E75. Objekat se nalazi van naseljenog mesta, u zoni okruženoj srodnim delatnostima poput servisa teretnih vozila, auto placeva i skladišta, bez buke i zagađenja, uz potpuni komfor za poslovno funkcionisanje. Ukupna površina parcele iznosi 951 m2, sa dodatnim uređenim platoom za parking ispred samog ulaza u halu. Hala se nalazi na jednoj od tri uvezane parcele koje čine celinu, sa urednim vlasništvom i jasno definisanim katastarskim brojevima. Neto površina objekta iznosi 891 m2 i obuhvata skladišni prostor, kancelarije i dve stambene jedinice, čineći ga idealnim za kombinaciju proizvodne, logističke i kancelarijske delatnosti. Objekat je izgrađen 2020. godine kao novogradnja i ne zahteva dodatna ulaganja. U prizemlju i suterenu se nalazi kancelarijski prostor ukupne površine 201,91 m2 (73,34 m2 + 128,57 m2). Sama hala poseduje visinu plafona od 5,5 metara, što omogućava različite proizvodne i skladišne operacije. Pristup objektu je omogućen kroz tri velika industrijska ulaza, kao i kroz zasebne ulaze u svaku od jedinica. Hala ima pripremljen prostor za izgradnju rampe za utovar i istovar robe. Prilaz hali je asfaltiran i potpuno pogodan za sve vrste vozila, uključujući kamione i šlepere. Objekat je opremljen trofaznom strujom snage 65 ampera, sa mogućnošću dodatne nadogradnje električne snage. Takođe, postoje priključci na vodovodnu i kanalizacionu mrežu, grejanje je moguće putem struje i gasa (priključak uz objekat), a kancelarijski prostori su klimatizovani. U objekat je uvedena internet i telekomunikaciona mreža, čime su ispunjeni svi infrastrukturni zahtevi savremenog poslovanja. Uređen i obeležen parking prostor za zaposlene, klijente i transportna vozila dodatno doprinosi funkcionalnosti i praktičnosti ovog objekta. S obzirom na svoju strukturu, lokaciju i opremljenost, hala je pogodna za širok spektar namena - od skladištenja, proizvodnje i radionica, do servisa i logističkih operacija. Postoje video zapisi od zemljanih radova izgradnje objekta pa sve do završetka istog. Pored hale, od istog vlasnika se prodaje zemljište površine 5.420 m2, koje se nalazi u blizini objekta, kao i zemljište dostupno za podzakup. (cena- dogovor) Idealno za proširenje postojećeg kapaciteta ili razvoj dodatnog poslovnog sadržaja. Objekat je legalizovan, vlasništvo je 1/1, a sva dokumentacija je uredna. Cena je 1.860.000,00eura + 3% agencijska provizija. Za više informacija, možete nas kontaktirati na 063... (prikaži broj telefona) ili 021... (prikaži broj telefona) , agencija za nekretnine "Šćepanović i saradnici", upisana u Registar posrednika pod brojem 1573, Bulevar oslobođenja 78, Novi Sad ID oglasa: 44201.
*Sačuvaj oglas uz belešku i primaj obaveštenja o njihovom pojeftinjenju ili pojavljivanju sličnih
Prikaz poslovnog prostora na mapi
Obeležja kulture u blizini
- Beogradska kapija18 min
- Nova kapija18 min
- Barutana Svete Tereze19 min

Škole/Fakulteti/Vrtići u blizini
- Osnovna škola (Osnovna škola Đura Jakšić)5 min
- Srednja škola (Privatna srednja škola Sveti Nikola)13 min
- Vrtić (Dečiji vrtić Madagaskar)3 min
- Fakultet (Univerzitet u Novom Sadu Akademija umetnosti)19 min

- Bolnica (Specijalna bolnica za bolesti zavisnosti Dr Boro Lazić)17 min
- Klinika (Poliklinika Novakov)16 min
- Teretana (Fitness centar Mega Gym Novi Sad)13 min
- Prodavnica (Mikromarket)17 min
- Autobuska stanica (Kać - Ekonomija)5 min
- Banka (OTP banka)4 min
- Pošta (Pošta Kać)4 min
Kontakt oglašivača
Stambeni krediti

- Period otplate od
96 -360 meseca
- NKS 4.75%
EKS 5.74%
Fiksna kamatna stopa
- Bez troškova obrade kredita
stranici kreditnih kalkulatora
Keš krediti
Period otplate
13 meseci